靠谱朗驰娱乐体育

淄博市化工设备厂
联系人:张勇 13505330686
电   话:0533-2980884 2980885 2980579 2980709
传   真:0533-2980710 
邮   编:255063 
E-mail:zcep@55rfzc.cn 
fucheq@zb-public.sd.cninfo.net
网   址://55rfzc.cn 
厂   址:山东省淄博市张店区山泉路南首

产品中心当前页面>靠谱朗驰娱乐体育>产品中心

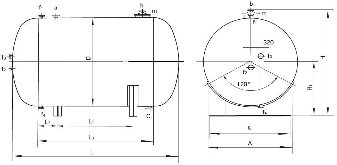
搪玻璃卧式贮罐

卧式贮罐外形尺寸及管口尺寸表

公称容积L
实际容积L
尺寸(mm)Size
管口尺寸
设备重量
D
H1
H
L1
L2
L3
L
A
K
A
B
C
F1-4
m
3000
3337
1450
1089
2146
794
330
1454
2288
1300
1090
80
70
80
70
300 X 400
1250
4000
4457
1450
1089
2146
1474
330
2134
2968
1300
1090
80
70
80
70
300 X 400
1590
5000
5550
1600
1166
2300
1420
360
2140
3052
1430
1180
80
70
80
70
300 X 400
2020
6300
7024
1750
1243
2454
1474
390
2254
3246
1560
1300
80
70
80
70
300 X 400
2560
8000
8910
1900
1318
2604
1590
420
2430
3496
1690
1420
80
70
80
70
300 X 400
2960
10000
11094
2000
1368
2704
1880
450
2780
3900
1780
1490
100
80
100
70
300 X 400
3730
12500
13921
2000
1368
2704
2704
470
3680
4800
1780
1490
100
80
100
70
300 X 400
4570
16000
17756
2200
1470
2908
2840
500
3840
5080
1950
1680
100
80
100
70
300 X 400
5570
20000
22332
2400
1572
3112
2930
550
4030
5374
2130
1890
100
80
100
70
300 X 400
6910
30000
33300
3000
1876
3720
2370
630
3630
5282
2650
2430
100
80
100
70
300 X 400
9680
40000
41000
3000
1876
3720
3460
630
4720
6356
2650
2430
100
80
100
70
300 X 400
11350
50000
51600
3000
1876
3720
4960
630
6220
7856
2650
2430
100
80
100
70
300 X 400
14500
上一篇:石墨换热器 下一篇: 搪玻璃蒸馏灌