靠谱朗驰娱乐体育

淄博市化工设备厂
联系人:张勇 13505330686
电   话:0533-2980884 2980885 2980579 2980709
传   真:0533-2980710 
邮   编:255063 
E-mail:zcep@55rfzc.cn 
fucheq@zb-public.sd.cninfo.net
网   址://55rfzc.cn 
厂   址:山东省淄博市张店区山泉路南首

产品中心当前页面>靠谱朗驰娱乐体育>产品中心

搪玻璃蒸馏灌

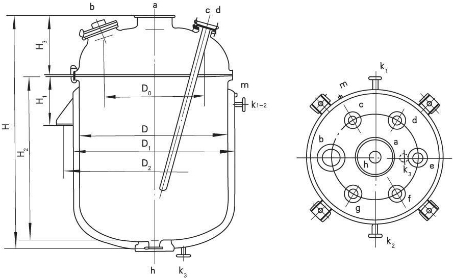
蒸馏灌外形尺寸及管口尺寸表

公称容积L 实际容积L 夹套换热面积 尺寸 管口尺寸 重量
D D0 D1 D2 H H1 H2 H3 A B C Dg Ef H K1-3 M
K300 369 1.75 800 560 900 1048 1280 350 870 390 150 125 70 80 80 80 3-25 1/2” 568
K500 588 2.27 900 630 1000 1130 1504 400 1070 415 200 150 80 100 80 80 3-32 1/2” 778
K1000 1250 4.54 1200 840 1300 1488 1810 500 1270 510 300 200 80 100 80 100 3-32 1/2” 1439
K1500 1720 5 1300 910 1450 1622 2035 500 1470 535 300 200 80 100 80 100 3-40 1/2” 1908
K2000 2280 6.42 1600 1120 1750 1962 1988 600 1330 630 400 200 100 125 100 125 3-40 1/2” 2510
K3000 3380 8.67 1600 1120 1750 1962 2475 600 1810 630 400 200 100 125 100 125 3-40 1/2” 3196

 

上一篇:搪玻璃卧式贮罐 下一篇: 搪玻璃套筒式换热器