
淄博市化工设备厂
联系人:张勇 13505330686
电 话:0533-2980884 2980885 2980579 2980709
传 真:0533-2980710
邮 编:255063
E-mail:zcep@55rfzc.cn
fucheq@zb-public.sd.cninfo.net
网 址://55rfzc.cn
厂 址:山东省淄博市张店区山泉路南首

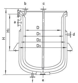
套筒式换热器外形尺寸、参数及管口尺寸表
|
公称换
热面积 |
实际换
热面积 |
设计压力
|
尺寸mm
|
管口尺寸
|
重量
|
||||||||||||
|
内层
|
中层
|
外层
|
D
|
D1
|
D2
|
D3
|
H1
|
H
|
a
|
b
|
c
|
d
|
e
|
f
|
|||
|
2
|
2.15
|
0.1
|
0.1
|
0.6
|
\
|
400
|
500
|
600
|
500
|
977
|
80
|
20
|
20
|
20
|
70
|
20
|
203
|
|
2.5
|
2.75
|
0.1
|
0.1
|
0.6
|
\
|
400
|
500
|
600
|
600
|
1277
|
80
|
40
|
40
|
25
|
70
|
25
|
375
|
|
3
|
3.1
|
0.1
|
0.1
|
0.6
|
400
|
500
|
600
|
700
|
560
|
1191
|
100
|
40
|
40
|
40
|
70
|
40
|
489
|
|
4
|
4.1
|
0.0
|
0.1
|
0.6
|
400
|
500
|
600
|
700
|
710
|
1441
|
100
|
40
|
40
|
40
|
70
|
40
|
576
|
|
6
|
6.3
|
0.1
|
0.1
|
0.6
|
500
|
600
|
700
|
800
|
800
|
1793
|
100
|
40
|
40
|
40
|
80
|
40
|
933
|
|
10
|
10.1
|
0.1
|
0.1
|
0.6
|
700
|
800
|
900
|
1000
|
1100
|
2206
|
125
|
40
|
40
|
40
|
80
|
40
|
1617
|
| 上一篇:搪玻璃蒸馏灌 | 下一篇: 搪玻璃片式换热器 |